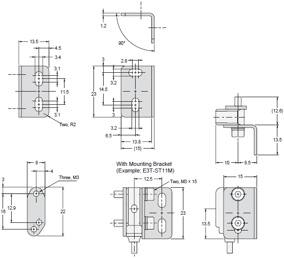
Page top

Building Automation


Industrial Automation


Power Automation & Safety

Bangladesh Distributor

E39-L / -S / -R

Mounting Brackets, Slits, Reflectors

E39-L / -S / -R

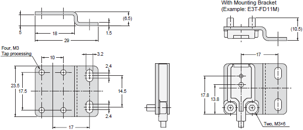
Wide Variations of Mounting Brackets, Slits and Reflectors

Caution: All units are in millimeters unless otherwise indicated.

Tolerance class IT16 applies to dimensions in this datasheet unless otherwise specified.

Mounting Bracket Dimensions

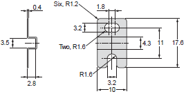
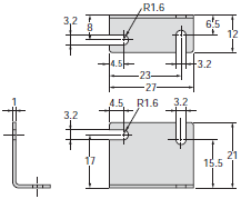
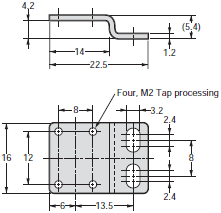
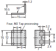
E39-L31

E39-L / -S / -R Dimensions 3

Material: Iron

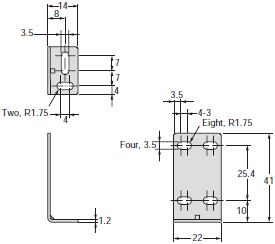
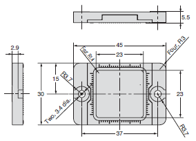
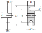
E39-L40

E39-L / -S / -R Dimensions 4

Material: Iron

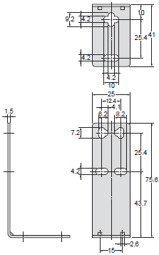
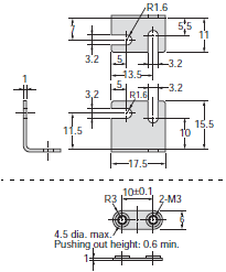
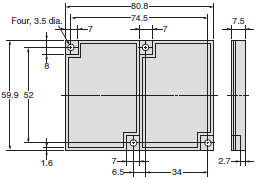
E39-L41

E39-L / -S / -R Dimensions 5

Material: Iron

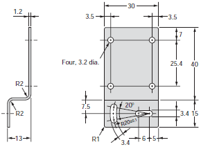
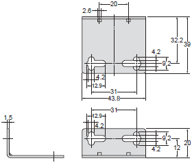
E39-L42

E39-L / -S / -R Dimensions 6

Material: Iron

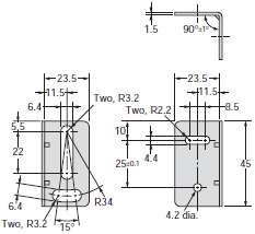
E39-L43

E39-L / -S / -R Dimensions 7

Material: Stainless steel (SUS304)

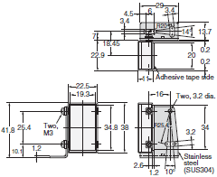
E39-L44

E39-L / -S / -R Dimensions 8

Material: Stainless steel (SUS304)

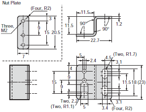
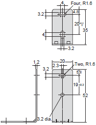
E39-L51

E39-L / -S / -R Dimensions 9

Material: Iron

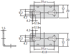
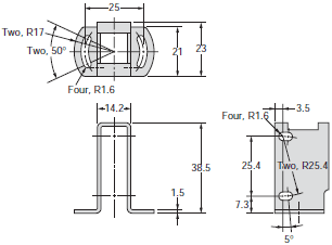
E39-L53

E39-L / -S / -R Dimensions 10

Material: Iron

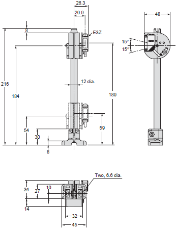
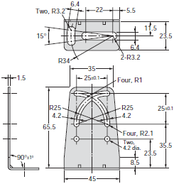
E39-L54V

E39-L / -S / -R Dimensions 11

Material: Stainless steel (SUS304)

E39-L83

E39-L / -S / -R Dimensions 12

Material: Stainless steel (SUS304)

E39-L85

E39-L / -S / -R Dimensions 13

Material: Stainless steel (SUS304)

E39-L86

E39-L / -S / -R Dimensions 14

Material: Stainless steel (SUS304)

E39-L87

E39-L / -S / -R Dimensions 15

Material: Stainless steel (SUS304)

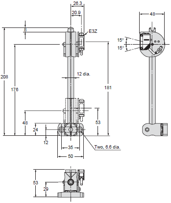
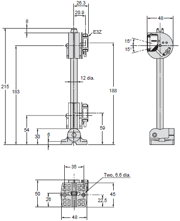
E39-L93FH

E39-L / -S / -R Dimensions 16

E39-L93FV

E39-L / -S / -R Dimensions 17

E39-L93H

E39-L / -S / -R Dimensions 18

E39-L93V

E39-L / -S / -R Dimensions 19

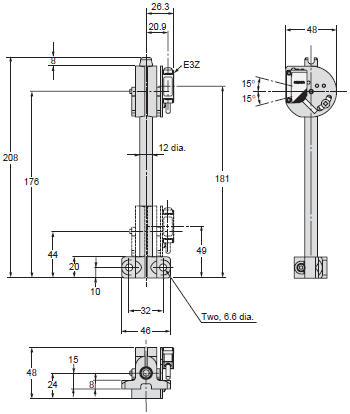
E39-L93XY

E39-L / -S / -R Dimensions 20

Note: The E39-L93XY consists of only the one joint holder (A) and pipe, and the two hexagonal bolts and nuts. It cannot
          be mounted to the Sensor alone.

E39-L94

E39-L / -S / -R Dimensions 21

Material: Iron

E39-L96

E39-L / -S / -R Dimensions 22

Material: Stainless steel (SUS304)
2-mm-thick

E39-L98

E39-L / -S / -R Dimensions 23

* Mounting Bracket can be attached to side (A)
Material: Stainless steel (SUS304)

E39-L102

E39-L / -S / -R Dimensions 24

Material: Stainless steel (SUS304)

E39-L103

E39-L / -S / -R Dimensions 25

Material: Stainless steel (SUS304)

E39-L104

E39-L / -S / -R Dimensions 26

Material: Stainless steel (SUS304)

E39-L116

E39-L / -S / -R Dimensions 27

Material: Stainless steel (SUS304)
1.2-mm-thick

E39-L117

E39-L / -S / -R Dimensions 28

Material: Stainless steel (SUS304)
1.2-mm-thick

E39-L118

E39-L / -S / -R Dimensions 29

Material: Stainless steel (SUS304)
1.2-mm-thick

E39-L119

E39-L / -S / -R Dimensions 30

Material: Stainless steel (SUS304)
1.2-mm-thick

E39-L120

E39-L / -S / -R Dimensions 31

Material: Stainless steel (SUS304)
1.2-mm-thick

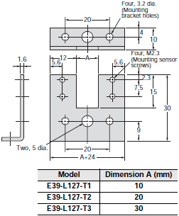
E39-L127-T1, E39-L127-T2, E39-L127-T3

E39-L / -S / -R Dimensions 32

Material: Iron

E39-L131

E39-L / -S / -R Dimensions 33

Material: Stainless steel (SUS304)

E39-L132

E39-L / -S / -R Dimensions 34

Material: Stainless steel (SUS304)

E39-L135

E39-L / -S / -R Dimensions 35

Material: Stainless steel (SUS304)

E39-L136

E39-L / -S / -R Dimensions 36

Material: Stainless steel (SUS304)

E39-L142

E39-L / -S / -R Dimensions 37

Material: Stainless steel (SUS304)

E39-L143

E39-L / -S / -R Dimensions 38

Material: Stainless steel (SUS304)

E39-L144

E39-L / -S / -R Dimensions 39

Material: Stainless steel (SUS304)

E39-L148

E39-L / -S / -R Dimensions 40

Material: Stainless steel (SUS304)

E39-L149

E39-L / -S / -R Dimensions 41

Material: Iron

E39-L150
E39-L151

E39-L / -S / -R Dimensions 42

E39-L153

E39-L / -S / -R Dimensions 43

Material: Stainless steel (SUS304)

E39-L166

E39-L / -S / -R Dimensions 44

Material: Stainless steel (SUS304)
1.2-mm-thick

E39-L167

E39-L / -S / -R Dimensions 45

Material: Stainless steel (SUS304)
1.5-mm-thick

E39-L168

E39-L / -S / -R Dimensions 46

Note: Use this Spacer when mounting the Sensor from the back.
Material: Polybutylene terephthalate

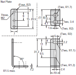
E39-L180

E39-L / -S / -R Dimensions 47

Material: Stainless steel (SUS304)
2.0-mm-thick
Accessories: Phillips screws (2) (M3 ✕ 30, P=0.5, Stainless), Nut plate (1)

E39-L181

E39-L / -S / -R Dimensions 48

Material: Stainless steel (SUS304)
2.0-mm-thick
Accessories: Phillips screws (2) (M4 ✕ 35, P=0.7, Stainless), Nut plate (1)

E39-L185

E39-L / -S / -R Dimensions 49

Material: Stainless steel (SUS304)
Thickness: 1.2 mm
Accessories: Phillips screws (2) (M3 ✕ 18, P=0.5, Stainless) Nut plate (1)

E39-L186

E39-L / -S / -R Dimensions 50

Material: Stainless steel (SUS304)
Thickness: 1.2 mm
Accessories: Phillips screws (2) (M3 ✕ 18, P=0.5, Stainless) Nut plate (1)

E39-L187

E39-L / -S / -R Dimensions 51

Material: Stainless steel (SUS304)
Thickness: 1.2 mm
Accessories: Phillips screws (2) (M3 ✕ 18, P=0.5, Stainless) Nut plate (1)

E39-L188

E39-L / -S / -R Dimensions 52

Material: Stainless steel (SUS304)
Thickness: 1.2 mm
Accessories: Phillips screws (2) (M3 ✕ 18, P=0.5, Stainless) Nut plate (1)

E39-L190

E39-L / -S / -R Dimensions 53

Material: Stainless steel (SUS304)
Thickness: 1.2 mm
Accessories: Phillips screws (2) (M3 ✕ 18, P=0.5, Stainless) Nut plate (1)

Reflector dimensions

E39-R1, E39-R1S, E39-R1K*

E39-L / -S / -R Dimensions 55

Material,
reflective surface: acrylic
Rear surface: ABS
* E39-R1K only
    Coating on reflective surface

E39-R2

E39-L / -S / -R Dimensions 56

Material,
reflective surface: acrylic
Rear surface: ABS

E39-R3

E39-L / -S / -R Dimensions 57

Material,
reflective surface: acrylic
Rear surface: ABS

E39-R4

E39-L / -S / -R Dimensions 58

Material,
reflective surface: acrylic
Rear surface: ABS

E39-R6

E39-L / -S / -R Dimensions 59

Material,
reflective surface: acrylic
Rear surface: ABS

E39-R9

E39-L / -S / -R Dimensions 60

Material,
reflective surface: acrylic
Rear surface: ABS

E39-R10

E39-L / -S / -R Dimensions 61

Material,
reflective surface: acrylic
Rear surface: ABS

E39-R37-CA

E39-L / -S / -R Dimensions 62

Material:
Mounting plate: stainless steel (SUS301)
Reflective surface: acrylic
Note: The reflective plate and mounting plate (1) come as a set.
          Reflectors only for E3T-SR4[].

Retroreflector for E3ZM-B
E39-RP1

E39-L / -S / -R Dimensions 63

Retroreflector for E3ZM-B
E39-RP37

E39-L / -S / -R Dimensions 64

Material:
Reflective surface: acrylic
Mounting plate: stainless steel (SUS301)
Note: The reflective plate and mounting plate (1) come as a set.

Retroreflector for E3ZM-B
E39-RSP1

E39-L / -S / -R Dimensions 65

E39-RS1
E39-RS1-CA *1

E39-L / -S / -R Dimensions 66

Material: Acrylics

E39-RS2
E39-RS2-CA *1

E39-L / -S / -R Dimensions 67

Material: Acrylics

E39-RS3
E39-RS3-CA *1

E39-L / -S / -R Dimensions 68

Material: Acrylics

E39-R12/R14 *2

E39-L / -S / -R Dimensions 69

E39-R13 *2

E39-L / -S / -R Dimensions 70

E39-RS4 *2

E39-L / -S / -R Dimensions 71

E39-RS5 *2

E39-L / -S / -R Dimensions 72

*1. Models ending in the suffix “-CA” are reflectors only for E3T-SR4[].
*2. These Reflectors are for E3C-LDA-series Sensors. However, the E39-R12 can also be used with an E3Z-LR[]
       Retroreflective Laser Sensor.

E39-R21 *3

E39-L / -S / -R Dimensions 74

Material, reflective surface: methacrylic resin (PMMA)
Rear surface: Polybutylene terephthalate (PBT)

E39-R22 *3

E39-L / -S / -R Dimensions 75

Material, reflective surface: methacrylic resin (PMMA)
Rear surface: Polybutylene terephthalate (PBT)

E39-RS10 *3

E39-L / -S / -R Dimensions 76

Material, reflective surface: acrylic

E39-RS11 *3

E39-L / -S / -R Dimensions 77

Material, reflective surface: acrylic

*3. Models only for E3NC-LH03