< D4BL Guard Lock Safety-door Switch/Dimensions | OMRON Bangladesh by Kyoto engineering & Automation

Page top

Building Automation


Industrial Automation


Power Automation & Safety

Bangladesh Distributor

D4BL

Guard Lock Safety-door Switch

D4BL

Release Protective Cover Locks Using Controller Signals or Pushbutton Switches after the Cutting Tool Stops Moving Due to Inertia

Caution: All units are in millimeters unless otherwise indicated.

Switches

D4BL-[][]R[]-[]

D4BL Dimensions 2

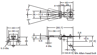
D4BL-2GRD-AT

D4BL Dimensions 3

Note: 1. Unless otherwise specified, a tolerance of ±0.4 mm applies to all dimensions.
           2. There are fluctuations in the contact ON/OFF timing for 2NC contacts. Confirm performance before application.

Operation Keys

D4BL-K1

D4BL Dimensions 6

D4BL-K2

D4BL Dimensions 7

D4BL-K3

D4BL Dimensions 8

With Operation Key Inserted

D4BL + D4BL-K1

D4BL Dimensions 10

D4BL + D4BL-K2

D4BL Dimensions 11

D4BL + D4BL-K3

D4BL Dimensions 12

Note: 1. Unless otherwise specified, a tolerance of ±0.4 mm applies to all dimensions.
           2. In the above diagrams, the Operation Key is inserted from the front.

Indicator Unit

D4BL Dimensions 14