Page top

Building Automation


Industrial Automation


Power Automation & Safety

Bangladesh Distributor

D4BS

Safety-door Switch

D4BS

The Special Operation Key Activates a Direct Opening Mechanism to Open the Contacts and Shut Off Control Circuits when Protective Doors Are Opened on Machine Tools or Other Equipment

Caution: All units are in millimeters unless otherwise indicated.

Note: Unless otherwise specified, a tolerance of ±0.4 mm applies to all dimensions.

Switches

1-conduit
D4BS-1[]FS
D4BS-2[]FS
D4BS-4[]FS

D4BS Dimensions 3

Note: There are fluctuations in the contact ON/OFF timing for 2NC contacts. Confirm performance before application.
* Conduit size
   D4BS-1[]FS :Pg 13.5
   D4BS-2[]FS :G1/2
   D4BS-4[]FS: M20

Operation Keys

D4BS-K1

D4BS Dimensions 6

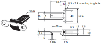
D4BS-K2

D4BS Dimensions 7

D4BS-K3

D4BS Dimensions 8

With Operation Key Inserted

D4BS + D4BS-K1

D4BS Dimensions 10

D4BS + D4BS-K2

D4BS Dimensions 11

D4BS + D4BS-K3

D4BS Dimensions 12