Page top

Building Automation


Industrial Automation


Power Automation & Safety

Bangladesh Distributor

R88M-KE, R88D-KP

G5-series Pulse Train Input Type AC Servomotors/Servo Drives

R88M-KE, R88D-KP

High-performance Servo Optimal for positioning Application.

Servor Drive

Single-phase/Three-phase 200 VAC R88D-KP01H/-KP02H (100 to 200W)

R88M-KE, R88D-KP Dimensions 2

Single-phase/Three-phase 200 VAC R88D-KP04H (400W)

R88M-KE, R88D-KP Dimensions 3

Single-phase/Three-phase 200 VAC R88D-KP08H (750W)

R88M-KE, R88D-KP Dimensions 4

Single-phase/Three-phase 200 VAC R88D-KP10H/-KP15H (900W to 1.5kW)

R88M-KE, R88D-KP Dimensions 5

Three-phase 200 VAC R88D-KP20H(2kW)

R88M-KE, R88D-KP Dimensions 6

Three-phase 200 VAC R88D-KP30H/-KP50H (3 to 5kW)

R88M-KE, R88D-KP Dimensions 7

Servomotors

3,000 r/min Servomotors (200 VAC)

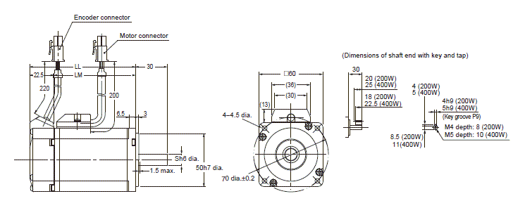
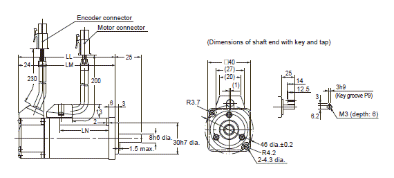
50W/100W

Without brake

• R88M-KE05030H(-S2)

• R88M-KE10030H(-S2)


Model Dimensions (mm)
LL LM LN
R88M-KE05030[] 72 48 26.5
R88M-KE10030[] 92 68 46.5

R88M-KE, R88D-KP Dimensions 11

With brake

• R88M-KE05030H-B(S2)
• R88M-KE10030H-B(S2)
 
Model Dimensions (mm)
LL LM LN
R88M-KE05030[]-B[] 102 78 26.5
R88M-KE10030[]-B[] 122 98 46.5

R88M-KE, R88D-KP Dimensions 12

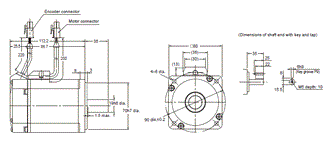
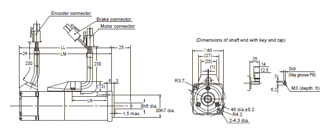
200W/400W

Without brake

• R88M-KE20030H(-S2)

• R88M-KE40030H(-S2)


Model Dimensions (mm)
LL LM LN
R88M-KE20030[] 79.5 57 11
R88M-KE40030[] 99 76.5 14

R88M-KE, R88D-KP Dimensions 14

With brake

• R88M-KE20030H-B(S2)

• R88M-KE40030H-B(S2)


Model Dimensions (mm)
LL LM LN
R88M-K20030[]-B[] 116 93.5 11
R88M-K40030[]-B[] 135.5 113 14

R88M-KE, R88D-KP Dimensions 15

750W

Without brake

• R88M-KE75030H(-S2)

R88M-KE, R88D-KP Dimensions 17

With brake

•  R88M-KE75030H-B(S2)

R88M-KE, R88D-KP Dimensions 18

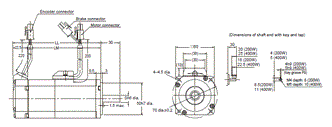
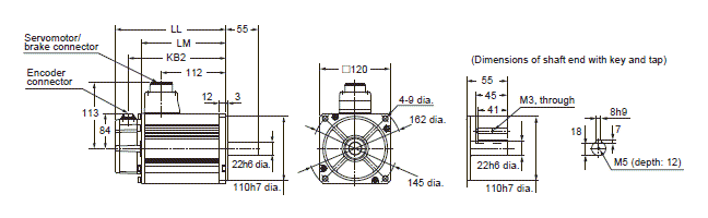
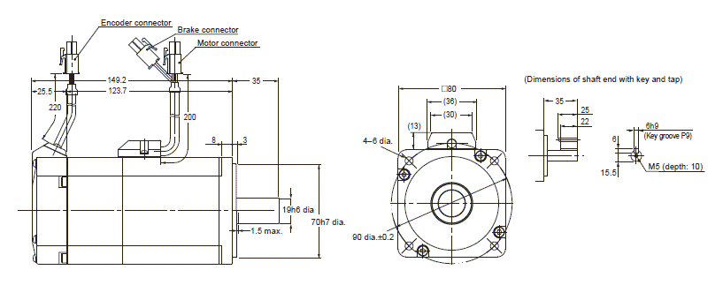
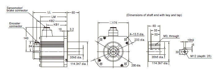
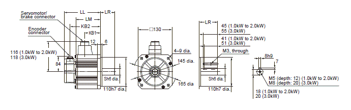
1kW/1.5kW/2kW

Without brake

• R88M-KE1K030H(-S2)
• R88M-KE1K530H(-S2)
• R88M-KE2K030H(-S2)

With brake

• R88M-KE1K030H-B(S2)
• R88M-KE1K530H-B(S2)
• R88M-KE2K030H-B(S2)

Model Dimensions (mm)
LL LM KB1 KB2
R88M-KE1K030[] 142 97 66 122
R88M-KE1K530[] 160.5 115.5 84.5 140.5
R88M-KE2K030[] 179.5 134.5 103.5 159.5
R88M-KE1K030[]-B[] 169 124 66 149
R88M-KE1K530[]-B[] 187.5 142.5 84.5 167.5
R88M-KE2K030[]-B[] 206.5 161.5 103.5 186.5

R88M-KE, R88D-KP Dimensions 22

3kW

Without brake

• R88M-KE3K030H(-S2)

With brake

• R88M-KE3K030H-B(S2)

Model Dimensions (mm)
LL LM LN
R88M-KE3K030[] 191 146 171
R88M-KE3K030[]-B[] 216 171 196

R88M-KE, R88D-KP Dimensions 26

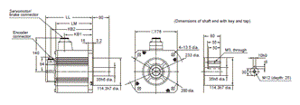
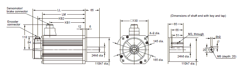
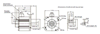
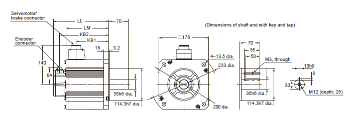
4kW/5kW

Without brake

• R88M-KE4K030H(-S2)
• R88M-KE5K030H(-S2)

With brake

• R88M-KE4K030H-B(S2)
• R88M-KE5K030H-B(S2)

Model Dimensions (mm)
LL LM KB1 KB2
R88M-KE4K030[] 209 164 127 189
R88M-KE5K030[] 244 199 162 224
R88M-KE4K030[]-B[] 237 192 127 217
R88M-KE5K030[]-B[] 272 227 162 252

R88M-KE, R88D-KP Dimensions 30

2,000 r/min Servomotors (200 VAC)

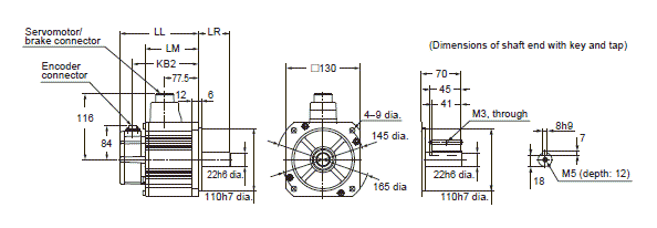
1kW/1.5kW/2kW/3kW

Without brake

• R88M-KE1K020H(-S2)
• R88M-KE1K520H(-S2)
• R88M-KE2K020H(-S2)
• R88M-KE3K020H(-S2)

With brake

• R88M-KE1K020H-B(S2)
• R88M-KE1K520H-B(S2)
• R88M-KE2K020H-B(S2)
• R88M-KE3K020H-B(S2)

Model Dimensions (mm)
LL LR LM S KB1 KB2
R88M-KE1K020[] 139 55 94 22 60 119
R88M-KE1K520[] 156.5 55 111.5 22 77.5 136.5
R88M-KE2K020[] 174 55 129 22 95 154
R88M-KE3K020[] 209 65 164 24 127 189
R88M-KE1K020[]-B[] 167 55 122 22 60 147
R88M-KE1K520[]-B[] 184.5 55 139.5 22 77.5 164.5
R88M-KE2K020[]-B[] 202 55 157 22 95 182
R88M-KE3K020[]-B[] 237 65 192 24 127 217

R88M-KE, R88D-KP Dimensions 35

4kW/5kW

Without brake

• R88M-KE4K020H(-S2)
• R88M-KE5K020H(-S2)

With brake

• R88M-KE4K020H-B(S2)
• R88M-KE5K020H-B(S2)

Model Dimensions (mm)
LL LM KB1 KB2
R88M-KE4K020[] 178 133 96 158
R88M-KE5K020[] 197 152 115 177
R88M-KE4K020[]-B[] 207 162 96 187
R88M-KE5K020[]-B[] 226 181 115 206

R88M-KE, R88D-KP Dimensions 39

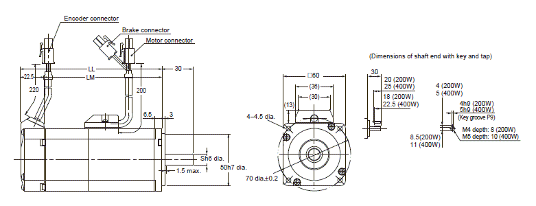
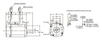
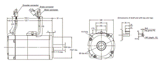
1,000 r/min Servomotors (200 VAC)

900W

Without brake

• R88M-KE90010H(-S2)

With brake

• R88M-KE90010H-B(S2)

Model Dimensions (mm)
LL LM KB2
R88M-KE90010[] 156.5 111.5 136.5
R88M-KE90010[]-B[] 184.5 139.5 164.5

R88M-KE, R88D-KP Dimensions 44

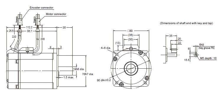
2kW/3kW

Without brake

• R88M-KE2K010H(-S2)
• R88M-KE3K010H(-S2)

With brake

• R88M-KE2K010H-B(S2)
• R88M-KE3K010H-B(S2)

Model Dimensions (mm)
LL LM KB1 KB2
R88M-KE2K010[] 164.5 119.5 82.5 144.5
R88M-KE3K010[] 210.5 165.5 128.5 190.5
R88M-KE2K010[]-B[] 193.5 148.5 82.5 173.5
R88M-KE3K010[]-B[] 239.5 194.5 128.5 219.5

R88M-KE, R88D-KP Dimensions 48

Note: The standard models have a straight shaft. A model with a key and tap is indicated by adding “S2” to the end of the model number. Models with an oil seal are indicated with O at the end of the model number. The motor dimensions do not change.