Page top

Building Automation


Industrial Automation


Power Automation & Safety

Bangladesh Distributor

3G3MX2-V1

Multi-function Compact Inverter

3G3MX2-V1

Born to drive machines   

about this Product Family

Caution: All units are in millimeters unless otherwise indicated.

Inverter 3G3MX2

3G3MX2-AB001-V1
3G3MX2-AB002-V1
3G3MX2-AB004-V1
3G3MX2-A2001-V1
3G3MX2-A2002-V1
3G3MX2-A2004-V1
3G3MX2-A2007-V1

3G3MX2-V1 Dimensions 2

3G3MX2-AB007-V1
3G3MX2-AB015-V1
3G3MX2-AB022-V1
3G3MX2-A2015-V1
3G3MX2-A2022-V1
3G3MX2-A4004-V1
3G3MX2-A4007-V1
3G3MX2-A4015-V1
3G3MX2-A4022-V1
3G3MX2-A4030-V1

3G3MX2-V1 Dimensions 3

3G3MX2-A2037-V1
3G3MX2-A4040-V1

3G3MX2-V1 Dimensions 4

3G3MX2-A2055-V1
3G3MX2-A2075-V1
3G3MX2-A4055-V1
3G3MX2-A4075-V1

3G3MX2-V1 Dimensions 5

3G3MX2-A2110-V1
3G3MX2-A4110-V1
3G3MX2-A4150-V1

3G3MX2-V1 Dimensions 6

3G3MX2-A2150-V1

3G3MX2-V1 Dimensions 7

MX2-Series EtherCAT Communication Unit 3G3AX-MX2-ECT

3G3AX-MX2-ECT

3G3MX2-V1 Dimensions 9

*After the EtherCAT Communication Unit is installed, dimension D of the inverter increases by 26.4 mm.
  (Dimension D of the inverter varies depending on the capacity. Refer to the MX2-series V1 type USER'S MANUAL (Cat.
    No.I585))

MX2-Series CompoNet Communication Unit 3G3AX-MX2-CRT-E

3G3AX-MX2-CRT-E

3G3MX2-V1 Dimensions 11

* After the CompoNet Communication Unit is installed, dimension D of the inverter increases by 26.4 mm.
  (Dimension D of the inverter varies depending on the capacity. Refer to the MX2-series V1 type USER'S MANUAL (Cat.
    No.I585))

MX2-Series DeviceNet Communication Unit 3G3AX-MX2-DRT-E

3G3AX-MX2-DRT-E

3G3MX2-V1 Dimensions 13

* After the DeviceNet Communication Unit is installed, dimension D of the inverter increases by 26.4 mm.
  (Dimension D of the inverter varies depending on the capacity. Refer to the MX2-series V1 type USER'S MANUAL (Cat.
    No.I585))

Options

Regenerative Braking Unit 3G3AX-RBU[][]

3G3AX-RBU21/-RBU22/-RBU41

3G3MX2-V1 Dimensions 16

Braking Resistor 3G3AX-RBA/-RBB/-RBC[][][][]

3G3AX-RBA

3G3MX2-V1 Dimensions 18

3G3AX-RBB

3G3MX2-V1 Dimensions 19

3G3AX-RBC4001

3G3MX2-V1 Dimensions 20

3G3AX-RBC6001

3G3MX2-V1 Dimensions 21

3G3AX-RBC12001

3G3MX2-V1 Dimensions 22

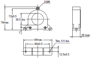
Radio Noise Filter 3G3AX-ZCL[]

3G3AX-ZCL1

3G3MX2-V1 Dimensions 24

3G3AZ-ZCL2

3G3MX2-V1 Dimensions 25

Input Noise Filter 3G3AX-NFI[][]

3G3AX-NFI21
3G3AX-NFI22

3G3MX2-V1 Dimensions 27

3G3AX-NFI25/3G3AX-NFI26
3G3AX-NFI45/3G3AX-NFI46

3G3MX2-V1 Dimensions 28

3G3AX-NFI23/3G3AX-NFI24
3G3AX-NFI41/3G3AX-NFI42
3G3AX-NFI43/3G3AX-NFI44

3G3MX2-V1 Dimensions 29

3G3AX-NFI27/3G3AX-NFI28

3G3MX2-V1 Dimensions 30

Output Noise Filter 3G3AX-NFO[][]

3G3AX-NFO01
3G3AX-NFO02

3G3MX2-V1 Dimensions 32

3G3AX-NFO03/3G3AX-NFO04/3G3AX-NFO05
3G3AX-NFO06

3G3MX2-V1 Dimensions 33
3G3MX2-V1 Dimensions 34

DC Reactor 3G3AX-DL[][][][]

3G3MX2-V1 Dimensions 36
3G3MX2-V1 Dimensions 37

* Only the CT rating is supported.

3G3MX2-V1 Dimensions 38

AC Reactor 3G3AX-AL[][][][]

3G3AX-AL2025
3G3AX-AL2055

3G3MX2-V1 Dimensions 40

3G3AX-AL2110/3G3AX-AL2220
3G3AX-AL2330

3G3MX2-V1 Dimensions 41

3G3AX-AL4025/3G3AX-AL4055
3G3AX-AL4110

3G3MX2-V1 Dimensions 42

3G3AX-AL4220/3G3AX-AL4330

3G3MX2-V1 Dimensions 43
3G3MX2-V1 Dimensions 44

* Only the CT rating is supported.

Digital Operator

3G3AX-OP01

3G3MX2-V1 Dimensions 46