Page top

Building Automation


Industrial Automation


Power Automation & Safety

Bangladesh Distributor

E5CN-HT

Programmable Temperature Controller (Digital Controller) (48 x 48 mm)

E5CN-HT

Programmable Controllers Join the Series! Program up to 256 segments and take advantage of the high cost performance of the new LCD that improves both the field of view and contrast.

about this Product Family

Caution: All units are in millimeters unless otherwise indicated.

E5CN-HT

E5CN-HT Dimensions 1

Note: The terminal block cannot be removed.

Accessories (Order Separately)

USB-Serial Conversion Cable
E58-CIFQ1

E5CN-HT Dimensions 3

Terminal Cover
E53-COV17

E5CN-HT Dimensions 4

Note: The E53-COV10 can not be used.

Waterproof Packing
Y92S-P8 (for DIN 48 × 48)

E5CN-HT Dimensions 5

Order the Waterproof Packing separately if it becomes lost or damaged.
The Waterproof Packing can be used to achieve an IP66 degree of protection.
(Deterioration, shrinking, or hardening of the waterproof packing may occur depending on the operating environment. Therefore, periodic replacement is recommended to ensure the level of waterproofing specified in IP66. The time for periodic replacement depends on the operating environment. Be sure to confirm this point at your site. Consider one year a rough standard. OMRON shall not be liable for the level of water resistance if the customer does not perform periodic replacement.)
The Waterproof Packing does not need to be attached if a waterproof structure is not required.

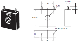
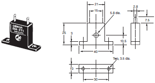
Current Transformers

E54-CT1

E5CN-HT Dimensions 7

E54-CT3

E5CN-HT Dimensions 8

E54-CT3 Accessory

E5CN-HT Dimensions 9

E54-CT1
Thru-current (Io) vs. Output Voltage (Eo) (Reference Values)

E5CN-HT Dimensions 10

Maximum continuous heater current: 50 A (50/60 Hz)
Number of windings: 400±2
Winding resistance: 18±2 Ω

E54-CT3
Thru-current (Io) vs. Output Voltage (Eo) (Reference Values)

E5CN-HT Dimensions 11

Maximum continuous heater current: 120 A (50/60 Hz)
(Maximum continuous heater current for an OMRON Temperature Controller is 50 A.)
Number of windings: 400±2
Winding resistance: 8±0.8 Ω

Adapter

Y92F-45

Note: 1. Use this Adapter when the panel has already been prepared for the E5B[].
           2. The Adapter is available only in black.

E5CN-HT Dimensions 13

Mounted to E5CN-HT

E5CN-HT Dimensions 14

DIN Track Mounting Adapter

Y92F-52

Note: This Adapter cannot be used together with the Terminal Cover.
          Remove the Terminal Cover to use the Adapter.

E5CN-HT Dimensions 16

Mounted to E5CN-HT

E5CN-HT Dimensions 17