Page top

Building Automation


Industrial Automation


Power Automation & Safety

Bangladesh Distributor

Accessories 61F

Connecting Sockets, Mounting Brackets, DIN Rails

Accessories 61F

Durable, Easy-to-handle Connecting Sockets and Mounting Brackets

Caution: All units are in millimeters unless otherwise indicated.

Track-mounted Sockets

PF083A-E

Accessories 61F Dimensions 2

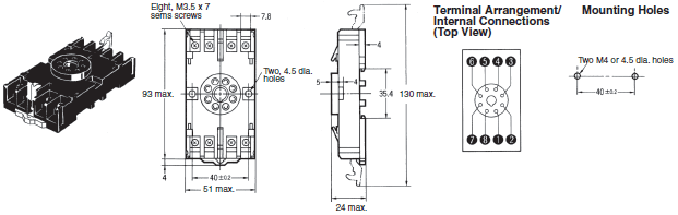
8PFA

Accessories 61F Dimensions 3

8PFA1

Accessories 61F Dimensions 4

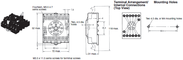
14PFA

Accessories 61F Dimensions 5

PF113A-E

Accessories 61F Dimensions 6

Back-connecting Sockets

PL08

Accessories 61F Dimensions 8

PL11

Accessories 61F Dimensions 9

PL15

Accessories 61F Dimensions 10

Mounting Brackets

When the 61F-G1P/-G2P/-IP/-UHS/-HSL is mounted using a Track-mounted Socket, the Switch is held secure by the hooks on the mounting Socket.

61F-GP-N8, 61F-APN2

To mount to the PF083A-E Track-mounted Socket, use the enclosed PFC-N8 Mounting Bracket.

PFC-N8

Accessories 61F Dimensions 13

61F-GP-N, 61F-GPN-BT/-BC

To mount to the PF113A-E Track-mounted Socket, use the enclosed PFC-N8 Mounting Brackets.

PFC-N8

Accessories 61F Dimensions 15

To mount to the PL11 Back-connecting Socket, use the PHC-5 Mounting Brackets.

PHC-5

Accessories 61F Dimensions 16

61F-03B, -04B

To mount to the PF113A-E Track-mounted Socket, use the PFC-A1 Mounting Brackets.

PFC-A1

Accessories 61F Dimensions 18

To mount to the PL11 Back-connecting Socket, use the PLC Mounting Brackets.

PLC

Accessories 61F Dimensions 19

DIN Track Mounting Accessories

DIN Track
PFP-100N
PFP-50N

Accessories 61F Dimensions 21

DIN Track
PFP-100N2

Accessories 61F Dimensions 22

Note: 1. The PFP-100N is 15 mm on both ends, while the PFP50N is 15 mm on one end and 5 mm on the other end.
           2. Indicates total DIN Track length.

1 m: PFP-100N
50 cm: PFP-50N
1 m: PFP-100N2

End Plate
PFP-M

Accessories 61F Dimensions 24

Spacer
PFP-S

Accessories 61F Dimensions 25