--> D40A / G9SX-NS Compact Non-Contact Door Switch/Non-Contact Door Switch Controller/Dimensions | OMRON Bangladesh by Kyoto Engineering & Automation

Page top

Building Automation


Industrial Automation


Power Automation & Safety

Bangladesh Distributor

D40A / G9SX-NS

Compact Non-Contact Door Switch/Non-Contact Door Switch Controller

D40A / G9SX-NS

Electronic Detection Mechanism for Better Stability in Non-contact Door Switch Operation

Caution: All units are in millimeters unless otherwise indicated.

(Unit: mm)

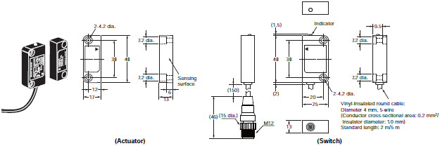
Non-contact Door Switch (Switch/Actuator)

D40A-1C2
D40A-1C5
D40A-1C015-F

D40A / G9SX-NS Dimensions 2

Non-contact Door Switch Controller
G9SX-NS202-[]

D40A / G9SX-NS Dimensions 3

Note: 1. Above outline drawing is for models with spring-cage terminals (-RC).
         2. For models with spring-cage terminals (-RC) only.
* Typical dimension

Non-contact Door Switch Controller
G9SX-NSA222-T03-[]

D40A / G9SX-NS Dimensions 4

Note: 1. Above outline drawing is for models with spring-cage terminals (-RC).
          2. For models with spring-cage terminals (-RC) only.
* Typical dimension

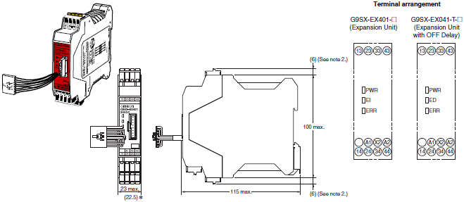
Expansion Unit
G9SX-EX401-[]
Expansion Unit (OFF-delayed Model)
G9SX-EX041-T-[]

D40A / G9SX-NS Dimensions 5

Note: 1. Above outline drawing is for models with spring-cage terminals (-RC).
          2. For models with spring-cage terminals (-RC) only.
* Typical dimension

Accessories (Sold separately)

Socket on One Cable End (5-pole Connectors)
XS2F-D521-DG0-A (L=2m)
XS2F-D521-GG0-A (L=5m)
XS2F-D521-JG0-A (L=10m)
XS2F-D521-KG0-A (L=15m)
XS2F-D521-LG0-A (L=20m)

D40A / G9SX-NS Dimensions 7

Sockets and Plugs on Cable Ends (5-pole Connectors)

XS2W-D521-DG1-A (L=2m)
XS2W-D521-GG1-A (L=5m)
XS2W-D521-JG1-A (L=10m)
XS2W-D521-KG1-A (L=15m)
XS2W-D521-LG1-A (L=20m)

D40A / G9SX-NS Dimensions 8