Solid State Contactors for Heaters
Image
| Product classification |
Solid State Relay for heater control |
|---|---|
| Operating rated voltage |
12 to 24 VDC |
| Output form |
3PST-NO |
| Load voltage range |
180 to 528 VAC 50/60 Hz |
| Load current |
AC: 0.5 A to 15 A at 40 CEL |
| Zero cross function |
Equipped |
| Indicator |
Input indicator (INPUT (Yellow): Operating) |
| Terminal structure |
Screw |
As of September 9, 2016
| Product classification | Solid State Relay for heater control |
|---|---|
| Operating rated voltage | 12 to 24 VDC |
| Operating voltage range | 9.6 to 30 VDC |
| Must operate voltage | 9.6VDC max. |
| Must release voltage | 1VDC min. |
| Isolation | Phototriac |
| Output form | 3PST-NO |
| Rated load voltage | 200 to 480VAC 50/60 Hz |
| Load voltage range | 180 to 528 VAC 50/60 Hz |
| Load current | AC: 0.5 A to 15 A at 40 CEL |
| Inrush current resistivity | AC: 220 A (60 Hz, 1 cycle) |
| Output ON voltage drop | 1.8 V (RMS) |
| Leakage current | 20 mA (at 480 VAC) |
| Ambient temperature | Operating: -30 to 80 ℃ Storage: -30 to 100 ℃ (_with no icing or condensation) |
| Ambient humidity | Operating: 45 to 85%RH (_with no icing or condensation) |
| Operate time | 1/2 cycle of load power source + 1 ms Max. |
| Release time | 1/2 cycle of load power source + 1 ms Max. |
| Protection for output | Snubber |
| Zero cross function | Equipped |
| Indicator | Input indicator (INPUT (Yellow): Operating) |
| Insulation resistance | Between input to output: 100 MΩ at 500 VDC Between heat sink to input/output terminals: 100 MΩ at 500 VDC |
| Dielectric strength | Between input to output: 2500 V Between heat sink to input/output terminals: 2500 V |
| Vibration resistance | 10 to 55 to 10 Hz, 0.375 mm single amplitude (0.75 mm double amplitude) in each 3 directions for 2 hours (mounted on DIN track) |
| Shock resistance | 294 m/s**2, in each 6 directions 3 times |
| Terminal structure | Screw |
| Terminal strength(Clamp torque) | Input terminal: M3.5: 0.59 to 1.18 N.m Output terminal: M4: 0.98 to 1.47 N.m |
| Mounting | Panel (DIN track) |
| Weight | Approx.1250 g |
As of September 9, 2016
As of September 9, 2016

Mounting holes

As of September 9, 2016
As of September 9, 2016
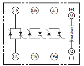
Terminal arrangement and internal connection

As of September 9, 2016
As of September 9, 2016
Input voltage vs. input current

Input voltage vs. input impedanceE00000933661.gif

Load current-ambient temperature

Inrush current resistivity (Non-repetitive) (The dotted line is a repetition. Keep the inrush current below the values shown by the dotted line if it occurs repetitively.)

As of September 9, 2016
Series
about this Product